legines.com
Tubo del capezzolo esagonale BSPT/BSPP 2500

Tubo del capezzolo esagonale BSPT/BSPP 2500

"Nipple esadecimale per collegare due tubi o raccordi filettati ed estensione della lunghezza del tubo, sezione centrale esagonale per il serraggio con una chiave.
Fili NPT maschili per il collegamento a tubi filettati femminili.
Ottone forgiato per resistenza alla corrosione, duttilità ad alte temperature e bassa permeabilità magnetica.
Pressione operativa fino a 1200 psi, intervallo di temperatura da -40 ° F a 160 ° F. "

Applicazione tipica:
Grasso, refrigerazione, strumentazione e sistemi idraulici.

Vantaggi:
DRYSEAL TIPI DELLA TIPI (BSPT (R)/BSP (G). Gamma di dimensioni e configurazioni

Contattaci

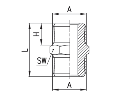
Specifiche

PARTE#

Dimensione del filo a

S.W

L

H

2500-a

R1/8

12

19.5

7.5

2500-b

R1/4

14

27.0

11.0

2500-c

R3/8

17

28.0

11.5

2500-D

R1/2

22

33.5

14.0

2500-e

R3/4

27

40.0

16.5

2500-F

R1 "

34

45.5

19

Il raccordo economico e di altissima tubo del capezzolo esagonale di alta qualità è progettato per fornire un giunto rigido tra due tubi con fili drissici (di sicurezza). Può essere utilizzato in sistemi di acqua, aria e olio, comprese le applicazioni di riscaldamento e raffreddamento. Il materiale è resistente alla corrosione, non magnetico ed elettroplato per una maggiore resistenza e durata.

Contatto con noi

Di Legines

Legines Industrial Machinery Inc.

Come produttori professionisti in ottone in ottone in cinese e fornitori di spinte per raccordi. Adotta la lavorazione completa del CNC e possiede l'area dell'officina di 3600 metri quadrati. 45 macchine utensili automatiche, 35 macchine utensili CNC semi-automatici, nonché distributori, che sono diventati importanti fornitori per la produzione di parti di ottone standard americane in Cina ...
  • onore
  • onore

Istruzioni & NOTIZIA