legines.com
1469# nylon freno freno a gomito maschio

1469# nylon freno freno a gomito maschio

Caratteristiche del prodotto:
■■ Corpo di ottone
■■ Incontra D.O.T. Prestazioni FMVSS571.106
■■ Soddisfa i requisiti funzionali SAE J246 e SAE J1131
■■ Sigillatore filo pre-applicato


Mercati:
■■ Camion resistente
■■ Rimorchio
■■ Mobile


Applicazioni:
■■ Freni ad aria
■■ Serbatoi d'aria
■■ Cavalcatura
■■ Cursori
■■ Inflazione dei pneumatici
■■ Linee primarie e secondarie
■■ Controlli di cabina

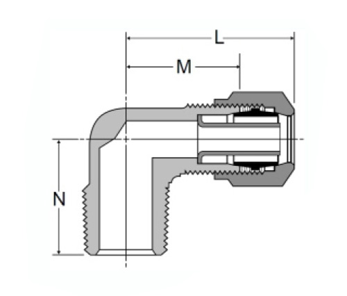
Parte di riferimento n.

69NAB -1469 -S769AB

Contattaci

Specifiche

PARTE# Tube O.D × Male NPTF M N
1469-4a 1/4 × 1/8 .59 .64
1469-4b 1/4 × 1/4 .68 .87
1469-4c 1/4 × 3/8 .73 .86
1469-6a 3/8 × 1/8 .73 .75
1469-6b 3/8 × 1/4 .73 .87
1469-6c 3/8 × 3/8 .74 .87
1469-6d 3/8 × 1/2 .88 1.05
1469-8b 1/2 × 1/4 .81 .93
1469-8c 1/2 × 3/8 .92 .95
1469-8d 1/2 × 1/2 1.03 1.18
1469-10C 5/8 × 3/8 1.00 1.05
1469-10d 5/8 × 1/2 1.09 1.25
1469-10e 5/8 × 3/4 1.25 1.32
1469-12d 3/4 × 1/2 1.19 1.33
1469-12e 3/4 × 3/4 1.26 1.32

*Ref.sae n. 100202 ba

Corpo in ottone, incontra d.o.t. FMVSS571.106 Performance, soddisfa i requisiti funzionali SAE J246 e SAE J1131, mercati del sigillante del filo pre-applicato: camion pesante, rimorchio, applicazioni mobili: freni ad aria
I tubi del freno ad aria sono fabbricati da nylon resistente rinforzato con un'elica in filo d'acciaio e un singolo tubo di strappo per soddisfare il requisito della specifica Association of American Railroads (AAR) 100202. Questi tubi del freno ad aria soddisfano i requisiti di DOT FMVSS571.106 in merito alla pressione, alla temperatura e alla resistenza alla rottura.
Un gomito è un oggetto standard utilizzato nel settore dei freni aerei. Fornisce una svolta di 90 gradi nel tubo del freno ad aria a una connessione maschile o femminile (pipa). Ha un corpo di ottone, cilindri e filo di metallurgia.

Contatto con noi

Di Legines

Legines Industrial Machinery Inc.

Come produttori professionisti in ottone in ottone in cinese e fornitori di spinte per raccordi. Adotta la lavorazione completa del CNC e possiede l'area dell'officina di 3600 metri quadrati. 45 macchine utensili automatiche, 35 macchine utensili CNC semi-automatici, nonché distributori, che sono diventati importanti fornitori per la produzione di parti di ottone standard americane in Cina ...
  • onore
  • onore

Istruzioni & NOTIZIA