legines.com
51## SAE 45 ° BLASS BRASSAGGIO MASCHI

51## SAE 45 ° BLASS BRASSAGGIO MASCHI

Caratteristiche del prodotto:
■■ Tutta la costruzione in ottone
■■ Resiste la vibrazione con l'uso di dado lungo
■■ Elenco UL
■■ Requisiti funzionali di SAE J512 e J513


Mercati: Applicazioni:
■■ Refrigerazione ■■ Linee refrigerante
■■ Camion resistente ■■ Propano
■■ Mobile ■■ Fuelli
■■ Industriale ■■ Adattatori
■■ Riscaldamento ■■ Gas naturale
■■ Aria condizionata

Parte di riferimento n.
T3- 151F -51 -10361 a 10360

Contattaci

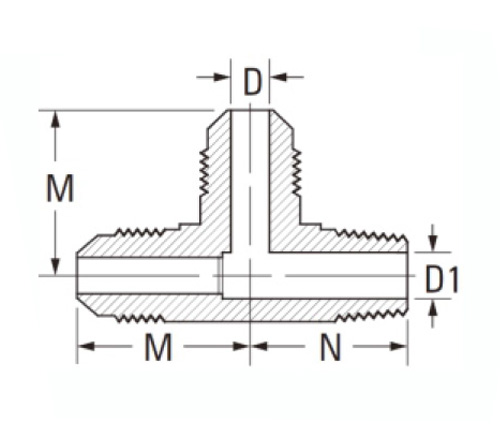
Specifiche

PARTE#

Flare o.d × thread

D

M

N

51-3 a

3/16 × 1/8

.126

.75

.75

51-4 a

1/4 × 1/8

.189

.78

.75

51-4b

1/4 × 1/4

.189

.88

.88

51-5 a

5/16 × 1/8

.219

.88

.80

51-5b

5/16 × 1/4

.219

1.00

.94

51-6b

3/8 × 1/4

.282

1.00

.94

51-6c

3/8 × 3/8

.282

1.00

1.00

51-6d

3/8 × 1/2

.282

1.12

1.22

51-8C

1/2 × 3/8

.408

1.16

1.09

51-8d

1/2 × 1/2

.408

1.22

1.22

51-10d

5/8 × 1/2

.500

1.41

1.31

51-12d

3/4 × 1/2

.625

1.63

1.59

51-12e

3/4 × 3/4

.625

1.63

1.44

*Ref.sae n. 010424

Tal tee maschile forgiato in ottone a fiamma 45 ° SAE. Questa parte è prodotta da ogni ottone, comprese le flange e il dado. Questi raccordi sono utilizzati in applicazioni in cui sono presenti vibrazioni, come la refrigerazione e le linee di carburante mobili. La maglietta di corsa ha requisiti funzionali di SAE J512 e J513, con un lungo dado che resiste alla vibrazione.

Contatto con noi

Di Legines

Legines Industrial Machinery Inc.

Come produttori professionisti in ottone in ottone in cinese e fornitori di spinte per raccordi. Adotta la lavorazione completa del CNC e possiede l'area dell'officina di 3600 metri quadrati. 45 macchine utensili automatiche, 35 macchine utensili CNC semi-automatici, nonché distributori, che sono diventati importanti fornitori per la produzione di parti di ottone standard americane in Cina ...
  • onore
  • onore

Istruzioni & NOTIZIA