legines.com
3350# 45 gradi Street Gomenti I raccordi per tubi in ottone

3350# 45 gradi Street Gomenti I raccordi per tubi in ottone

Caratteristiche del prodotto: Mercati:
■■ Tutta la costruzione in ottone ■■ Industriale
■■ Soddisfa i requisiti funzionali di ■■ Costruzione
SAE J530 e SAE J531 ■■ Camion resistente
■■ Discussioni realizzate agli standard drysali ■■ Mobile
■■ Sia i forgiamenti che le estrusioni disponibili ■■ Automazione di fabbrica/processo

Applicazioni: tubo compatibile:
■■ Linee d'aria ■■ Rame
■■ Linea di galleggiamento ■■ Ottone
■■ Linee di raffreddamento ■■ Pipe di ferro

Specifiche:
Intervallo di pressione fino a 1000 psi
Intervallo di temperatura da -65 ° a 250 ° F

Applicazione tipica:
Grasso, carburanti, LP e gas naturale, refrigerazione. Strumentazione e sistemi idraulici

Conformance:
Soddisfa le specifiche e gli standard di ASA, ASME e SAE.

Parte di riferimento n.
306 -3350 -2214p -224 -124a

Contattaci

Specifiche

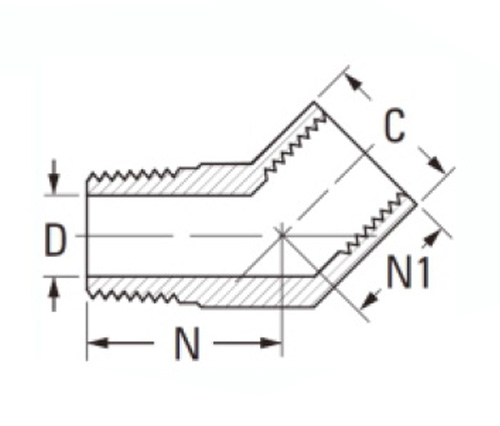
PARTE# Dimensione del filo C D N N1
3350-A 1/8 × 1/8 9/16 .219 .50 .38
3350-B 1/4 × 1/4 11/16 .315 .74 .56
3350-c 3/8 × 3/8 13/16 .438 .78 .56
3350-D 1/2 × 1/2 1 " .562 1.00 .76
3350-e 3/4 × 3/4 1 "-1/4 .750 1.06 .75

*Rif.sae n. 1330339

Il 3350 è un adattamento a forma di gomito di 45 gradi. Il raccordo è fatto per essere utilizzato con una varietà di materiali per tubazioni diversi e può resistere a 1000 psi. Ha anche un intervallo di temperatura operativa compreso tra -65 ° e 250 ° F. Sono effettuati raccordi per tubi in ottone di 45 gradi di 45 gradi per le specifiche esatte dal nostro team di fabbricanti esperti. Il gomito di strada è un raccordo per tubo che ha due fili di tubi su un'estremità e l'altra estremità ha una curva di 90 ° nel tubo. I gomiti di strada sono utilizzati in molte diverse industrie dall'impianto idraulico ai trasporti. I gomiti di strada sono realizzati in configurazione femmina o maschile per aumentare il flusso di fluidi o gas su una gamma di pressioni, temperature e dimensioni della linea, se necessario dal cliente.

Contatto con noi

Di Legines

Legines Industrial Machinery Inc.

Come produttori professionisti in ottone in ottone in cinese e fornitori di spinte per raccordi. Adotta la lavorazione completa del CNC e possiede l'area dell'officina di 3600 metri quadrati. 45 macchine utensili automatiche, 35 macchine utensili CNC semi-automatici, nonché distributori, che sono diventati importanti fornitori per la produzione di parti di ottone standard americane in Cina ...
  • onore
  • onore

Istruzioni & NOTIZIA