legines.com
3500# Raccordi in ottone a 90 gradi Raccordi per tubi a gomito

3500# Raccordi in ottone a 90 gradi Raccordi per tubi a gomito

Caratteristiche del prodotto: Mercati:
■■ Tutta la costruzione in ottone ■■ Industriale
■■ Soddisfa i requisiti funzionali di ■■ Costruzione
SAE J530 e SAE J531 ■■ Camion resistente
■■ Discussioni realizzate agli standard drysali ■■ Mobile
■■ Sia i forgiamenti che le estrusioni disponibili ■■ Automazione di fabbrica/processo

Applicazioni: tubo compatibile:
■■ Linee d'aria ■■ Rame
■■ Linea di galleggiamento ■■ Ottone
■■ Linee di raffreddamento ■■ Pipe di ferro

Specifiche:
Intervallo di pressione fino a 1000 psi
Intervallo di temperatura da -65 ° a 250 ° F

Applicazione tipica:
Grasso, carburanti, LP e gas naturale, refrigerazione. Strumentazione e sistemi idraulici

Conformance:
Soddisfa le specifiche e gli standard di ASA, ASME e SAE.

Parte di riferimento n.
2200p -3500 -302 -200 -28001 a 28005 -100

Contattaci

Specifiche

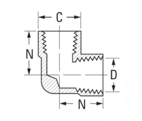
PARTE# Dimensione del filo C D N N
3500-A 1/8 × 1/8 9/16 .219 .66 .47
3500-B 1/4 × 1/4 11/16 .315 .91 .72
3500-c 3/8 × 3/8 13/16 .438 .97 .78
3500-D 1/2 × 1/2 1 " .562 1.25 1.03
3500-e 3/4 × 3/4 1 "-1/4 .750 1.38 1.12

Ref.sae n. 1330238

Realizzati in ottone, i nostri gomiti di 90 gradi sono fabbricati per soddisfare le esigenze delle applicazioni industriali e di costruzione. L'ottone forgiato è più resistente, più difficile e meno probabile di piegarsi rispetto ai prodotti estrusi. I nostri raccordi in bronzo hanno anche una migliore resistenza allo shock e alle vibrazioni. Offriamo raccordi per tubi forgiati ed estrusi per progetti in tutte le applicazioni del settore, tra cui linee d'aria, linee d'acqua, linee di raffreddamento e altro ancora. I raccordi in ottone sono fabbricati con gli standard di altissima qualità. Dal processo di forgiatura al threading e alla finitura finale, ogni fase viene controllata con strumenti di precisione. Questi raccordi soddisfano i requisiti funzionali di SAE J530 e SAE J531, pur essendo compatibili con SAE Standard SAE J514 e ASME B16.21. I nostri gomiti di 90 gradi sono fabbricati con ottoni di alta qualità, fornendo una struttura forte e resistente. Offriamo opzioni di montaggio di fabbrica e camion con due diverse configurazioni di Barb per ospitare dimensioni di tubi a foro di grandi dimensioni. Che tu stia cercando una sostituzione o desideri aggiornare il tuo sistema, Crouse-Hinds può aiutare.

Contatto con noi

Di Legines

Legines Industrial Machinery Inc.

Come produttori professionisti in ottone in ottone in cinese e fornitori di spinte per raccordi. Adotta la lavorazione completa del CNC e possiede l'area dell'officina di 3600 metri quadrati. 45 macchine utensili automatiche, 35 macchine utensili CNC semi-automatici, nonché distributori, che sono diventati importanti fornitori per la produzione di parti di ottone standard americane in Cina ...
  • onore
  • onore

Istruzioni & NOTIZIA