legines.com
3750# I raccordi in ottone Maschio Run Tee Brass Pipe Astials

3750# I raccordi in ottone Maschio Run Tee Brass Pipe Astials

Caratteristiche del prodotto: Mercati:
■■ Tutta la costruzione in ottone ■■ Industriale
■■ Soddisfa i requisiti funzionali di ■■ Costruzione
SAE J530 e SAE J531 ■■ Camion resistente
■■ Discussioni realizzate agli standard drysali ■■ Mobile
■■ Sia i forgiamenti che le estrusioni disponibili ■■ Automazione di fabbrica/processo

Applicazioni: tubo compatibile:
■■ Linee d'aria ■■ Rame
■■ Linea di galleggiamento ■■ Ottone
■■ Linee di raffreddamento ■■ Pipe di ferro

Specifiche:
Intervallo di pressione fino a 1000 psi
Intervallo di temperatura da -65 ° a 250 ° F

Applicazione tipica:
Grasso, carburanti, LP e gas naturale, refrigerazione. Strumentazione e sistemi idraulici

Conformance:
Soddisfa le specifiche e gli standard di ASA, ASME e SAE.

Parte di riferimento n.
2225p -225 -3750 -326 -225 -127a -28245 ~ 28249

Contattaci

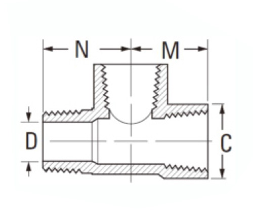
Specifiche

PARTE#

Dimensione del filo

C

D

M

N

3750-A

1/8

9/16

.219

.55

.66

3750-b

1/4

11/16

.312

.78

.90

3750-c

3/8

13/16

.438

.84

.97

3750-d

1/2

1 "

.562

1.09

1.25

3750-e

3/4

1 "-1/4

.750

1.38

1.38

*Ref.sae.no.130424

#3750 I raccordi per tee Run maschili sono fabbricati in ottone e soddisfano le esigenze di applicazioni industriali, di fabbrica/processo e mobili. Forniscono una connessione per le linee d'aria pressurizzate. Il tubo compatibile è disponibile in tubo di rame, ottone e ferro. I mercati includono mercati di costruzione, industriali e pesanti. I materiali compatibili includono linee d'aria, linee d'acqua e linee di raffreddamento. Questi raccordi in ottone sono disponibili in maschio e femmina per comodità. I materiali sono abbastanza forti da resistere a perdite e forza, rendendoli ideali per qualsiasi condizione meteorologica.  Ogni adattamento è realizzato con tubi in rame, ottone e altri materiali di qualità che portano forza, durata e longevità al pezzo.

Contatto con noi

Di Legines

Legines Industrial Machinery Inc.

Come produttori professionisti in ottone in ottone in cinese e fornitori di spinte per raccordi. Adotta la lavorazione completa del CNC e possiede l'area dell'officina di 3600 metri quadrati. 45 macchine utensili automatiche, 35 macchine utensili CNC semi-automatici, nonché distributori, che sono diventati importanti fornitori per la produzione di parti di ottone standard americane in Cina ...
  • onore
  • onore

Istruzioni & NOTIZIA