legines.com
24m PRESTO PERSILD

24m PRESTO PERSILD

Caratteristiche del prodotto:
■■ Collet di ottone
■■ Buna n o-ring
■■ Supporto del tubo in acciaio inossidabile
■■ Incontra D.O.T. FMVSS571.106
■■ Incontra SAE J2494-3
■■ Corpo composito: resistente a resistenti forti, leggeri, compatti e colpi
■■ Configurazioni plug-in

Mercati:
■■ Camion resistente
■■ Rimorchio
■■ Mobile

Applicazioni:
■■ Freni ad aria
■■ Serbatoi d'aria
■■ Cavalcatura
■■ Cursori
■■ Inflazione dei pneumatici
■■ Linee primarie e secondarie
■■ CAB controlla

Contattaci

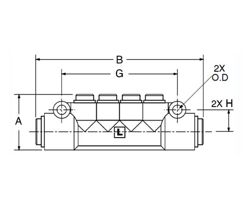
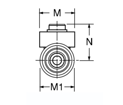
Specifiche

PUNRTE

NO.

Tube O.D

lnlet

Tube O.D

Presa

A B D G H M M1 N
24m-4-4 1/4 1/4 1.33 3.98 .21 2.75 .53 .90 .88 .89
24m-6-4 3/8 1/4 1.33 4.00 .21 2.75 .53 .90 .88 .89
24m-6-6 3/8 3/8 1.65 6.49 .22 4.55 .60 1.02 1.02 1.33
24m-8-8 1/2 1/2 1.65 6.49 .22 4.55 .60 1.02 1.02 1.33
24m-8-6-4-4-6-8 1/2 3/8 e 1/4 1.65 6.49 .22 4.55 .60 1.02 1.02 1.17

24m Presto Collettore è costruito per fornire un servizio facile, rapido e affidabile. Il corpo composito con un design forte, leggero, resistente all'impatto e compatto fornisce resistenza riducendo al contempo la massa. Il collettore Presto 24m è progettato per soddisfare i requisiti D.O.T FMVSS571.106, SAE J2494-3 per applicazioni ad alta pressione. Le sue funzionalità di plug & play consentono la massima versatilità in qualsiasi applicazione.

Contatto con noi

Di Legines

Legines Industrial Machinery Inc.

Come produttori professionisti in ottone in ottone in cinese e fornitori di spinte per raccordi. Adotta la lavorazione completa del CNC e possiede l'area dell'officina di 3600 metri quadrati. 45 macchine utensili automatiche, 35 macchine utensili CNC semi-automatici, nonché distributori, che sono diventati importanti fornitori per la produzione di parti di ottone standard americane in Cina ...
  • onore
  • onore

Istruzioni & NOTIZIA