legines.com
1564 d.o.t spinta in cambio

1564 d.o.t spinta in cambio

Caratteristiche del prodotto:
■■ Collet di ottone
■■ Buna n o-ring
■■ Supporto del tubo in acciaio inossidabile
■■ Incontra D.O.T. FMVSS571.106
■■ Meets SAE J2494 e SAE J2494-3

Mercati:
■■ Camion resistente
■■ Rimorchio
■■ Mobile

Applicazioni:
■■ Freni ad aria
■■ Serbatoi d'aria
■■ Cavalcatura
■■ Cursori
■■ Inflazione dei pneumatici
■■ Linee primarie e secondarie

Tubo compatibile:
■■ Tubo in nylon di tipo A e B SAE J844

Parte di riferimento n.
AQ64DOT -164PMT -1864 -DQ64DOT -1564 -Dot

Contattaci

Specifiche

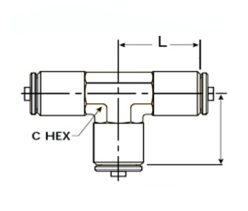
PARTE# Dimensione del tubo O.D. C L
1564-Dot-4 1/4 3/8 .95
1564-Dot-6 3/8 1/2 .96
1564-Dot-8 1/2 5/8 1.16
1564-Dot-10 5/8 11/16 1.19
1564-Dot-12 3/4 15/16 1.40

AQ64DOT è una push semi-flessibile sul raccordo. È dotato di un O-ring, un buna N, progettato per applicazioni ad alta pressione e a bassa temperatura. Il supporto a doppio tubo impedisce la estrazione dal tubo durante le applicazioni ad alta pressione. Il materiale utilizzato per questo prodotto è in acciaio inossidabile SS304 e ottone con requisiti BUNA N O-ring che soddisfa i requisiti SAE J2494 e SAE J2494-3. Questo prodotto è compatibile con entrambi i tubi di nylon di tipo A&B SAE J844. Il raccordo push-in DOT 1564 è costruito in ottone, presenta una guarnizione O-ring, un supporto per tubi in acciaio inossidabile e soddisfa FMVSS571.106, SAE J2494 e SAE J2494-3. Può essere utilizzato in camion pesanti, rimorchi e attrezzature mobili per trasportare le linee d'aria. Questo adattamento semplifica separare le linee d'aria dal sistema del freno senza la necessità di tagliare i tubi, aumentando così la sicurezza durante la manutenzione dei freni.

Contatto con noi

Di Legines

Legines Industrial Machinery Inc.

Come produttori professionisti in ottone in ottone in cinese e fornitori di spinte per raccordi. Adotta la lavorazione completa del CNC e possiede l'area dell'officina di 3600 metri quadrati. 45 macchine utensili automatiche, 35 macchine utensili CNC semi-automatici, nonché distributori, che sono diventati importanti fornitori per la produzione di parti di ottone standard americane in Cina ...
  • onore
  • onore

Istruzioni & NOTIZIA