legines.com
Boccola esagonale del riduttore in acciaio inossidabile 2530

Boccola esagonale del riduttore in acciaio inossidabile 2530

Il raccordo della boccola esagonale del riduttore in acciaio inossidabile con fili conici nazionali di tubo nazionale maschile (NPT) su fili NPT esterni e femmine all'interno per collegare due tubi di dimensioni diverse. Ha fili NPT per creare un sigillo più stretto rispetto ai fili dritti e una testa esagonale per una maggiore leva e utilizzare con una chiave durante l'installazione e lo smontaggio. Questa boccola è realizzata in acciaio e ha una finitura zincata per fornire una maggiore resistenza alla ruggine rispetto al ferro e può essere utilizzata per applicazioni di acqua, vapore e aria. La boccola esagonale di classe 150 soddisfa le specifiche ASTM A53 e ASME B 1.20.1 per la garanzia della qualità. La classe è uno standard relativo a tolleranza, costruzione, dimensione e spessore della parete, ma non è una misurazione diretta della massima pressione di lavoro.

Applicazione tipica:
Grasso, refrigerazione, strumentazione e sistemi idraulici.

Vantaggi:
DRYSEAL TIPI DELLA TIPI (BSPT (R)/BSP (G). Gamma di dimensioni e configurazioni

Contattaci

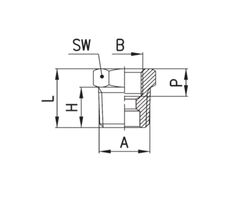
Specifiche

PARTE#

Dimensione del filo a × b

S.W

L

H

2350-BA

R1/4 × G1/8 14 16.0 11

2350-CA

R3/8 × G1/8 17 16.5 11.5

2350-cb

R3/8 × G1/4 17 19.5 11.5

2350-db

R1/2 × G1/4 22 19.5 14.0

2350-dc

R1/2 × G3/8 22 19.5 15.0

2350-EC

R3/4 × G3/8 22 23.0 16.5

2350-ed

R3/4 × G1/2 27 23.5 16.5

2350-HD

R1 "× G1/2 34 27.0 19.0

Ha una finitura zincata per fornire una maggiore resistenza alla ruggine rispetto al ferro e può essere utilizzato per applicazioni di acqua, vapore e aria. Questa boccola è fatta in acciaio e ha una testa esagonale per una maggiore leva e l'uso con una chiave durante l'installazione e lo smontaggio. Ha anche fili NPT per la creazione di una tenuta più stretta rispetto ai fili dritti e può essere utilizzato per collegare due tubi di dimensioni diverse.

Contatto con noi

Di Legines

Legines Industrial Machinery Inc.

Come produttori professionisti in ottone in ottone in cinese e fornitori di spinte per raccordi. Adotta la lavorazione completa del CNC e possiede l'area dell'officina di 3600 metri quadrati. 45 macchine utensili automatiche, 35 macchine utensili CNC semi-automatici, nonché distributori, che sono diventati importanti fornitori per la produzione di parti di ottone standard americane in Cina ...
  • onore
  • onore

Istruzioni & NOTIZIA