legines.com
Raccordi BSP in acciaio inossidabile

Raccordi BSP in acciaio inossidabile

BSP AILSORE AILSAGGIO STREET STREET COLTS 2020

Applicazione tipica:
Grasso, refrigerazione, strumentazione e sistemi idraulici.

Vantaggi:
DRYSEAL TIPI DELLA TIPI (BSPT (R)/BSP (G). Gamma di dimensioni e configurazioni

Contattaci

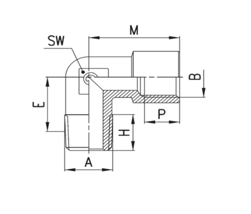
Specifiche

PARTE#

Dimensione del filo a × b

S.W

M

E

2020-A R1/8 × G/18 11 19 16
2020-B R1/4 × G1/4 12 23 20
2020-C R3/8 × G3/8 15 25 22
2020-D R1/2 × G1/2 20 31 28
2020-e R3/4 × G3/4 24 36.5 30

Contatto con noi

Di Legines

Legines Industrial Machinery Inc.

Come produttori professionisti in ottone in ottone in cinese e fornitori di spinte per raccordi. Adotta la lavorazione completa del CNC e possiede l'area dell'officina di 3600 metri quadrati. 45 macchine utensili automatiche, 35 macchine utensili CNC semi-automatici, nonché distributori, che sono diventati importanti fornitori per la produzione di parti di ottone standard americane in Cina ...
  • onore
  • onore

Istruzioni & NOTIZIA