legines.com
65# 90 ° Maschio Union Elason Radazioni di compressione

65# 90 ° Maschio Union Elason Radazioni di compressione

Applicazioni: mercati:
■■ Linee d'aria ■■ Industriale
■■ Linee di lubrificazione ■■ Confezione
■■ Linee di raffreddamento ■■ Pneumatico
■■ Industria ■■ Stampa
■■ Macchinari
■■ Compressori
■■ Trasferimento fluido

Caratteristiche del prodotto:
■■ Soddisfa i requisiti funzionali di SAE J-512
■■ UL elencato per liquido infiammabile
■■ Disponibile manica in ottone o acetale
■■ Nessuna preparazione al tubo
■■ Forme forgiate ed estruse

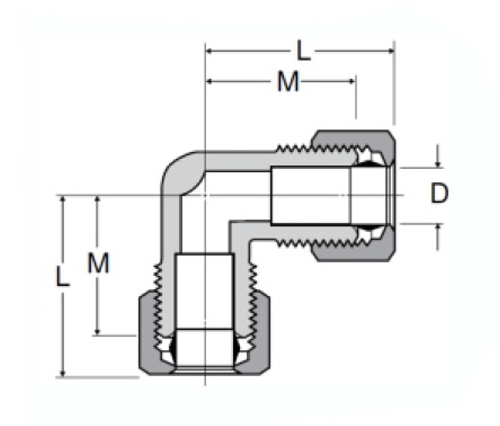
Parte di riferimento n.
65 -265 -65a -S65

Contattaci

Specifiche

PRT# Dimensione del tubo O.D. M D
65-3 3/16 .61 .125
65-4 1/4 .66 .188
65-5 5/16 .69 .250
65-6 3/8 .72 .312
65-8 1/2 .94 .406
65-10 5/8 1.06 .500
65-12 3/4 1.19 .562
65-6-4 3/8x1/4 .75/.69 .125
65-8-6 1/2x3/8 .94/.88 .312

Fino a 6 volte più leggero rispetto a raccordi forgiati, la serie 65 presenta un corpo acetale o ottone resistente alla corrosione e a una perno di ottone forgiato. Questo raccordo ti consente di adattare la fine di un tubo a un angolo di 90 gradi. Questo raccordo è disponibile in più materiali e finiture tra cui ottone, acciaio inossidabile e acetale. Ogni montaggio è timbrato con un numero di parte, garantendo una facile identificazione in tutti i punti della catena di approvvigionamento. Questo sottoassicchimento del gomito viene generalmente utilizzato nei sistemi di carburante in cui si consigliano connessioni da tubo in rame su tubo di rame. Il numero di fili richiesti per rendere la connessione può variare in base al materiale del tubo, allo spessore della parete e al thread pitch.

Contatto con noi

Di Legines

Legines Industrial Machinery Inc.

Come produttori professionisti in ottone in ottone in cinese e fornitori di spinte per raccordi. Adotta la lavorazione completa del CNC e possiede l'area dell'officina di 3600 metri quadrati. 45 macchine utensili automatiche, 35 macchine utensili CNC semi-automatici, nonché distributori, che sono diventati importanti fornitori per la produzione di parti di ottone standard americane in Cina ...
  • onore
  • onore

Istruzioni & NOTIZIA