legines.com
105 Raccordi per bagliore del dado tubo in acciaio

105 Raccordi per bagliore del dado tubo in acciaio

Caratteristiche del prodotto:
■■ Tutta la costruzione in ottone
■■ UL elencato per liquido infiammabile e gas
■■ Soddisfa i requisiti funzionali di SAE J512
■■ Nuty Steel per economia

Mercati: applicazioni:
■■ Aria condizionata ■■ Linee refrigerante
■■ Marino ■■ Linee di freno
■■ Mobile ■■ Linee di carburante
■■ Motori

Tubo compatibile:
■■ Rame
■■ Ottone
■■ Alluminio
■■ Tubo idraulico in acciaio saldato

Parte di riferimento n.
2015 -411fs -105 -41W

Contattaci

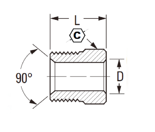
Specifiche

PARTE#

Tube O.D

C

D

L

105-3

3/16 5/16 .196

.56

105-4

1/4 3/8 .259 .56

105-5

5/16 7/16 .321 .62

105-6

3/8 5/8 .384 .66

105-8

1/2

3/4

.508

.74

105-10

5/8

7/8

.632

.80

105-12

3/4

1-1/16

.757

.88

La serie 105 è un raccordo a basso costo. È realizzato in ottone e ha le caratteristiche di fluido infiammabile e linee di gas. La serie 105 include noci in acciaio per l'economia, che sono disponibili in molte dimensioni. Vanta anche compatibilità con numerosi materiali da tubi tra cui rame, ottone, alluminio e tubi idraulici in acciaio saldato.
La parte n. 2015 - 411FS - 105 - 41W è stata prodotta da Miller Welder per aiutare a rendere l'ambiente industriale e commerciale più sicuro, più efficiente e conveniente. La parte n.: 2015 - 411FS - 105 - 41W è classificata UL per liquidi e gas infiammabili. Questo prodotto è realizzato con un ottone di alto grado che non corrode o ruggine in uso.
Il raccordo per bagliore da dado a tubo da 105 in acciaio fornisce un prodotto di lunga durata con un raccordo NPT maschio da 1/2 "e un bagliore da 3/8". È realizzato in alta qualità per tutta la costruzione in ottone, incontrando o supera tutti i codici pertinenti di ANSI B16.11 e SAE J512. Questo prodotto è progettato per l'uso nelle seguenti applicazioni: aria condizionata (comprese le linee CA automobilistiche), linee di refrigerante e linee di olio di refrigerante, marine, linee di freni, linee di combustibili mobili, motori, ecc.
Questo adattamento a fagare da dadi in acciaio da 3/4 "x 3/4" x 8 "può aiutarti a ottenere l'affidabilità, la durata e la sicurezza che richiedi dalle tue linee di tubi industriali. Un corpo e un corpo in ottone solido rendono questo adattamento extra durevole, mentre una finitura in acciaio a perdita aiuta a prevenire eventuali problemi di corrosione. $

Contatto con noi

Di Legines

Legines Industrial Machinery Inc.

Come produttori professionisti in ottone in ottone in cinese e fornitori di spinte per raccordi. Adotta la lavorazione completa del CNC e possiede l'area dell'officina di 3600 metri quadrati. 45 macchine utensili automatiche, 35 macchine utensili CNC semi-automatici, nonché distributori, che sono diventati importanti fornitori per la produzione di parti di ottone standard americane in Cina ...
  • onore
  • onore

Istruzioni & NOTIZIA