legines.com
302 Adattamento dell'Unione della linea dei freni in ottone

302 Adattamento dell'Unione della linea dei freni in ottone

Caratteristiche del prodotto:
■■ Tutta la costruzione in ottone
■■ UL elencato per liquido infiammabile e gas
■■ Soddisfa i requisiti funzionali di SAE J512
■■ Nuty Steel per economia

Mercati: applicazioni:
■■ Aria condizionata ■■ Linee refrigerante
■■ Marino ■■ Linee di freno
■■ Mobile ■■ Linee di carburante
■■ Motori

Tubo compatibile:
■■ Rame
■■ Ottone
■■ Alluminio
■■ Tubo idraulico in acciaio saldato

Parte di riferimento n.
302 -2300 -42ifhd

Contattaci

Specifiche

PARTE#

Inv.Flare × Inv.Flare

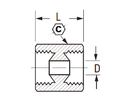
C

D

L

302-2

1/8 13/32 .78

.59

302-3

3/16 15/32 .125

.62

302-4 1/4 17/32 .188 .62

302-5

5/16 19/32 .219 .70

302-6

3/8 3/4 .281 .80
302-8 1/2

29/32

.406

.91

*Ref.sae n. 040101 ba

Questo raccordo sindacale viene utilizzato per tutti i tipi di applicazioni come linee di condizionamento dell'aria, linee di refrigerante, marine, linee di carburante mobile, motori e trasmissioni. È composto da costruzione in ottone e ha un dado in acciaio per l'economia.
Il raccordo sindacale flessibile in ottone in ottone 302 viene utilizzato per collegare sezioni di tubo con bagliore. La serie 302 è ideale per linee di freni, linee di carburante e linee di refrigerazione. Il dado in acciaio viene utilizzato per proteggere l'unione di linea in atto. La serie 302 è progettata per l'uso con tubo di rame e alluminio.
Questo raccordo dell'Unione in ottone consente di collegare rapidamente e in modo affidabile le sezioni del tubo. È fatto di ottone, che è resistente al calore e privo di corrosione. È facile da installare, grazie alla sua guarnizione in gomma Norprene che fornisce una guarnizione stretta tra i raccordi di fine, riducendo perdite o perdite. Il raccordo dell'Unione è compatibile con i tubi realizzati in rame, ottone o alluminio.
Questa unione fornisce un mezzo per la connessione di due pezzi di tubo. Il corpo principale è realizzato in ottone con un dado in acciaio per l'economia. L'ingresso con borchie che è infilata in un tubo si adatta a una scanalatura nel corpo dell'adattamento dell'Unione e ha scambiato su un bagliore di ottone. Il secondo tubo attraversa una scanalatura esterna per essere fissata saldamente da un perno interno che può anche essere inserito nel suo solco se lo si desidera.

Contatto con noi

Di Legines

Legines Industrial Machinery Inc.

Come produttori professionisti in ottone in ottone in cinese e fornitori di spinte per raccordi. Adotta la lavorazione completa del CNC e possiede l'area dell'officina di 3600 metri quadrati. 45 macchine utensili automatiche, 35 macchine utensili CNC semi-automatici, nonché distributori, che sono diventati importanti fornitori per la produzione di parti di ottone standard americane in Cina ...
  • onore
  • onore

Istruzioni & NOTIZIA