legines.com
72# Brass Mash Run Tee Compression Adays

72# Brass Mash Run Tee Compression Adays

Raccordi per compressione per tee maschile in ottone 71

Applicazioni: mercati:
■■ Linee d'aria ■■ Industriale
■■ Linee di lubrificazione ■■ Confezione
■■ Linee di raffreddamento ■■ Pneumatico
■■ Industria ■■ Stampa
■■ Macchinari
■■ Compressori
■■ Trasferimento fluido

Caratteristiche del prodotto:
■■ Soddisfa i requisiti funzionali di SAE J-512
■■ UL elencato per liquido infiammabile
■■ Disponibile manica in ottone o acetale
■■ Nessuna preparazione al tubo
■■ Forme forgiate ed estruse

71 -171c -71a -S71

Contattaci

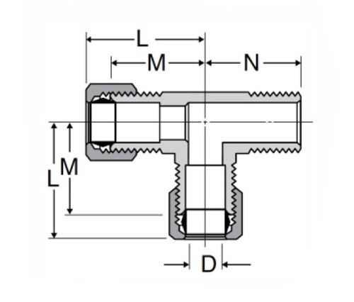
Specifiche

PARTE#

Tube O.D × Male NPTF

M

N

D

71-3a

3/16 × 1/8

.63

.69

.125

71-4a

1/4 × 1/8

.63

.75

.188

71-4b

1/4 × 1/4

.69

.88

.188

71-5a

5/16 × 1/8

.72

.75

.250

71-5b

5/16 × 1/4

.75

.88

.250

71-6a

3/8 × 1/8

.75

.75

.312

71-6b

3/8 × 1/4

.79

.87

.312

71-6c

3/8 × 3/8

.88

1.00

.330

71-8c

1/2 × 3/8

.94

1.09

.406

71-8d

1/2 × 1/2

.97

1.19

.406

71-10d

5/8 × 1/2

1.06

1.31

.500

I nostri raccordi per compressione a tee maschile da 72# in ottone soddisfano i requisiti funzionali di SAE J-512 e sono elencati per un liquido infiammabile. Questi raccordi non hanno preparazione del tubo e sono forme forgiate ed estruse. Sono disponibili in una vasta gamma di materiali tra cui manica in ottone, plastica e metallo. Presenta un manicotto di ottone o acetale e può essere utilizzato in una varietà di applicazioni come carrelli, trasmissioni e sistemi di alimentazione. Non è richiesta alcuna preparazione del tubo.

Contatto con noi

Di Legines

Legines Industrial Machinery Inc.

Come produttori professionisti in ottone in ottone in cinese e fornitori di spinte per raccordi. Adotta la lavorazione completa del CNC e possiede l'area dell'officina di 3600 metri quadrati. 45 macchine utensili automatiche, 35 macchine utensili CNC semi-automatici, nonché distributori, che sono diventati importanti fornitori per la produzione di parti di ottone standard americane in Cina ...
  • onore
  • onore

Istruzioni & NOTIZIA