legines.com
72# raccordi per compressione Maschio T -ramo

72# raccordi per compressione Maschio T -ramo

Applicazioni: mercati:
■■ Linee d'aria ■■ Industriale
■■ Linee di lubrificazione ■■ Confezione
■■ Linee di raffreddamento ■■ Pneumatico
■■ Industria ■■ Stampa
■■ Macchinari
■■ Compressori
■■ Trasferimento fluido

Caratteristiche del prodotto:
■■ Soddisfa i requisiti funzionali di SAE J-512
■■ UL elencato per liquido infiammabile
■■ Disponibile manica in ottone o acetale
■■ Nessuna preparazione al tubo
■■ Forme forgiate ed estruse

Parte di riferimento n.
72 -172C -S72 -72a

Contattaci

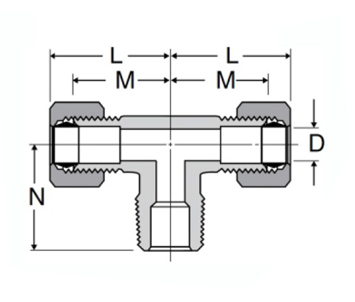
Specifiche

PARTE#

Tube O.D × Male NPTF

M

N

D

72-3a

3/16 × 1/8

.63

.69

.125

72-4a

1/4 × 1/8

.63

.75

.188

72-4b

1/4 × 1/4

.69

.88

.188

72-5a

5/16 × 1/8

.72

.75

.250

72-5b

5/16 × 1/4

.75

.88

.250

72-6a

3/8 × 1/8

.75

.75

.312

72-6b

3/8 × 1/4

.79

.87

.312

72-6c

3/8 × 3/8

.88

1.00

.330

72-8c

1/2 × 3/8

.94

1.09

.406

72-8d

1/2 × 1/2

.97

1.19

.406

72-10d

5/8 × 1/2

1.06

1.31

.500

Tutti i raccordi di compressione sono fabbricati per soddisfare o superare i requisiti funzionali di SAE J-512 e UL elencati per un liquido infiammabile. Sono realizzati in lega di alluminio, ottone o acetale. Le nostre forme forgiate ed estruse hanno un alto grado di resistenza ai danni che si verificherebbero normalmente in raccordi più convenzionali. Faremo qualsiasi forma che puoi immaginare fino a un diametro massimo di 2 ".
I raccordi a compressione T-ramo maschile sono un raccordo di tee di tipo ramo a 90 ° per l'uso con rame, acciaio inossidabile e tubo termoplastico. Il gomito gira a 360 ° per rendere più facile connettersi ad angoli difficili e tubi a tee.

Contatto con noi

Di Legines

Legines Industrial Machinery Inc.

Come produttori professionisti in ottone in ottone in cinese e fornitori di spinte per raccordi. Adotta la lavorazione completa del CNC e possiede l'area dell'officina di 3600 metri quadrati. 45 macchine utensili automatiche, 35 macchine utensili CNC semi-automatici, nonché distributori, che sono diventati importanti fornitori per la produzione di parti di ottone standard americane in Cina ...
  • onore
  • onore

Istruzioni & NOTIZIA