legines.com
602 RAMINATI MASCHI TEE I raccordi per flare invertiti

602 RAMINATI MASCHI TEE I raccordi per flare invertiti

Caratteristiche del prodotto:
■■ Tutta la costruzione in ottone
■■ UL elencato per liquido infiammabile e gas
■■ Soddisfa i requisiti funzionali di SAE J512
■■ Nuty Steel per economia

Mercati: applicazioni:
■■ Aria condizionata ■■ Linee refrigerante
■■ Marino ■■ Linee di freno
■■ Mobile ■■ Linee di carburante
■■ Motori

Tubo compatibile:
■■ Rame
■■ Ottone
■■ Alluminio
■■ Tubo idraulico in acciaio saldato

Parte di riferimento n.
145 -2451ifhd -602 -2600 -600

Contattaci

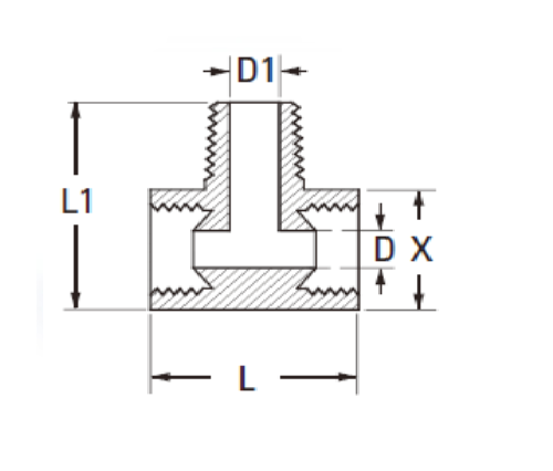
Specifiche

PARTE#

Tubo o.d × filo maschile

D

D1

X

L

L1

602-3a

3/16 × 1/8 .125 .219 .84 .82 .84

602-4a

1/4 × 1/8 .188 .219 .91 .84 .91

602-5a

5/16 × 1/8 .219 .219 .97 .95 .97

602-6b

3/8 × 1/4 .344 .344 1.31 1.16 1.31

Il 602 è un raccordo di fliare invertito di alta qualità, con fili maschili da 3/16 "O.D. x 1/8" e un L1 di 78. I raccordi sono progettati per UL Standard 424. I 602 soddisfano i requisiti funzionali di SAE J512.
I nostri raccordi maschili della serie 602 sono costruiti con materiale integrale, con una U.L. Rating di liquido e gas infiammabile elencato. Questi raccordi sono progettati per applicazioni che richiedono tubazioni a bassa pressione e portate elevate. Possono essere trovati nelle applicazioni di refrigerazione, marine e motore.
I raccordi per tee di ramo sono installati in modo simile ai raccordi del tubo di ramo tranne che vengono utilizzati in cui il diametro del tubo è più grande del tubo che entra nel raccordo. I raccordi per tubi a tee di filiale sono disponibili in una varietà di tipi e dimensioni di materiale per soddisfare i requisiti specifici dell'applicazione

Contatto con noi

Di Legines

Legines Industrial Machinery Inc.

Come produttori professionisti in ottone in ottone in cinese e fornitori di spinte per raccordi. Adotta la lavorazione completa del CNC e possiede l'area dell'officina di 3600 metri quadrati. 45 macchine utensili automatiche, 35 macchine utensili CNC semi-automatici, nonché distributori, che sono diventati importanti fornitori per la produzione di parti di ottone standard americane in Cina ...
  • onore
  • onore

Istruzioni & NOTIZIA