legines.com
352 Flare invertita in ottone 45 ° gomito maschio

352 Flare invertita in ottone 45 ° gomito maschio

Caratteristiche del prodotto:
■■ Tutta la costruzione in ottone
■■ UL elencato per liquido infiammabile e gas
■■ Soddisfa i requisiti funzionali di SAE J512
■■ Nuty Steel per economia

Mercati: applicazioni:
■■ Aria condizionata ■■ Linee refrigerante
■■ Marino ■■ Linee di freno
■■ Mobile ■■ Linee di carburante
■■ Motori

Tubo compatibile:
■■ Rame
■■ Ottone
■■ Alluminio
■■ Tubo idraulico in acciaio saldato

Parte di riferimento n.
154 -2352 -259ifhd -352 -94w

Contattaci

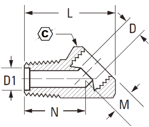
Specifiche

PARTE#

Tubo O.D × thread

C

D

L

352-3a

3/16 × 1/8 17/32 .125 .88

352-4a

1/4 × 1/8 9/16 .188 .94

352-5a

5/16 × 1/8 5/8 .219 1.00

352-5b

5/16 × 1/4 5/8 .219 1.16

352-6b

3/8 × 1/4 25/32 .281 1.34

352-8C

1/2 × 3/8 7/8 .406 1.44

*Ref.sae n. 040302 ba

Il gomito maschio invertito a 352 ottone invertito (SAE J512) è progettato per l'uso in aria condizionata, linee di refrigerante, applicazioni marine e mobili. Questo gomito ha un raccordo per bagliore maschile con un dado a slittamento per una facile installazione. Il gomito di bagliore di 45 gradi di 45 gradi Maschio SAE J512 è costruito con tutto l'ottone ad eccezione del dado in acciaio che fornisce durata e convenienza.
Il gomito maschio invertito a 352 ottone invertito è progettato per gas e liquidi e soddisfa i requisiti funzionali di SAE J512 di dimensioni da 1/8 "a 1". Misurazione .94 "nel diametro esterno.
Questo raccordo del tubo da 3⁄16 pollici e offre una curva a gomito da 45 °.  Questo raccordo è adatto per l'aria condizionata standard, la refrigerazione e le applicazioni idrauliche, nonché le industrie mobili o marine.

Contatto con noi

Di Legines

Legines Industrial Machinery Inc.

Come produttori professionisti in ottone in ottone in cinese e fornitori di spinte per raccordi. Adotta la lavorazione completa del CNC e possiede l'area dell'officina di 3600 metri quadrati. 45 macchine utensili automatiche, 35 macchine utensili CNC semi-automatici, nonché distributori, che sono diventati importanti fornitori per la produzione di parti di ottone standard americane in Cina ...
  • onore
  • onore

Istruzioni & NOTIZIA