legines.com
252 raccordi per adattatori femminili a flare invertiti

252 raccordi per adattatori femminili a flare invertiti

Caratteristiche del prodotto:
■■ Tutta la costruzione in ottone
■■ UL elencato per liquido infiammabile e gas
■■ Soddisfa i requisiti funzionali di SAE J512
■■ Nuty Steel per economia

Mercati: applicazioni:
■■ Aria condizionata ■■ Linee refrigerante
■■ Marino ■■ Linee di freno
■■ Mobile ■■ Linee di carburante
■■ Motori

Tubo compatibile:
■■ Rame
■■ Ottone
■■ Alluminio
■■ Tubo idraulico in acciaio saldato

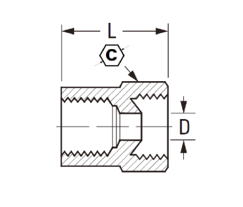
Parte di riferimento n.
461fhd -252 -46w

Contattaci

Specifiche

PARTE#

Tubo O.D × thread

C

D

L

252-3a

3/16 × 1/8 15/32 .125 .62

252-4a

1/4 × 1/8 17/32 .188 .62

252-5b

5/16 × 1/4 19/32 .220 .70

252-6b

3/8 × 1/4 3/4 .281 .80

252-8c

1/2 × 3/8 29/32 .406 .91

*Ref.sae n. 040103 ba

Questo adattatore per bagliore femminile di ottone ha un bagliore invertito per l'uso con raccordi per maschi standard. Fornisce un sigillo affidabile per prevenire perdite ed è approvato SAE J512. Il dado in acciaio è raccomandato per le applicazioni economiche, in cui un raccordo di flare installato permanentemente deve essere ancora rimosso o reinstallato in un breve periodo di tempo.
Fornendo ulteriore versatilità e durata, la serie 252 accumulerà i tubi con un diametro esterno di 3/16 ", 1/4", 5/16 "e 3/8". Ciò garantisce che sia compatibile praticamente con tutti i raccordi del serbatoio. Sarai anche colpito dalla sua costruzione durevole, garantendo una lunga vita, non importa quante volte la usi.
Questo raccordo dell'adattatore è progettato per collegare tubi a tubi e valvole. Realizzato in ottone, questo adattamento soddisfa gli standard del settore ed è progettato per l'uso in applicazioni automobilistiche e marine.
L'adattatore femminile bagliore invertito è un raccordo femminile compatibile con thread NPT SAE 1/2 "e tubi SAE 3/8". Costruiti con materiali durevoli e progettati per uso approfondito, questi raccordi sono ottimi per qualsiasi casa o azienda.

Contatto con noi

Di Legines

Legines Industrial Machinery Inc.

Come produttori professionisti in ottone in ottone in cinese e fornitori di spinte per raccordi. Adotta la lavorazione completa del CNC e possiede l'area dell'officina di 3600 metri quadrati. 45 macchine utensili automatiche, 35 macchine utensili CNC semi-automatici, nonché distributori, che sono diventati importanti fornitori per la produzione di parti di ottone standard americane in Cina ...
  • onore
  • onore

Istruzioni & NOTIZIA