legines.com
502 gomito del flare invertito

502 gomito del flare invertito

Caratteristiche del prodotto:
■■ Tutta la costruzione in ottone
■■ UL elencato per liquido infiammabile e gas
■■ Soddisfa i requisiti funzionali di SAE J512
■■ Nuty Steel per economia

Mercati: applicazioni:
■■ Aria condizionata ■■ Linee refrigerante
■■ Marino ■■ Linee di freno
■■ Mobile ■■ Linee di carburante
■■ Motori

Tubo compatibile:
■■ Rame
■■ Ottone
■■ Alluminio
■■ Tubo idraulico in acciaio saldato

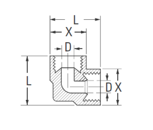
Parte di riferimento n.
502 -450

Contattaci

Specifiche

PARTE#

Tube O.D

D

M

L

502-4 1/4 .188 .53 .77
*502-5 5/16 .219 .59 .86
*502-6 3/8 .281 .72 1.04

*Non standard

*Ref.sae n. 040201 ba

Il gomito del flare invertito 502 è un'unione flare che fornisce una connessione universalmente compatibile per i tubi sul lato a valle della parte. Ha tutta la costruzione di ottoni, è elencato UL per liquido e gas infiammabile e soddisfa i requisiti funzionali di SAE J512. NADO DI ACCIAIO per economia Si prega di controllare il ref n.
Questo gomito dell'Unione è un raccordo idraulico utilizzato nei sistemi di refrigerazione e aria condizionata. È in genere collegato a tubi di rame, argento o ottone. Gli accessori svasati includono fori di drenaggio per aiutare a drenare la condensa dal tubo.

Contatto con noi

Di Legines

Legines Industrial Machinery Inc.

Come produttori professionisti in ottone in ottone in cinese e fornitori di spinte per raccordi. Adotta la lavorazione completa del CNC e possiede l'area dell'officina di 3600 metri quadrati. 45 macchine utensili automatiche, 35 macchine utensili CNC semi-automatici, nonché distributori, che sono diventati importanti fornitori per la produzione di parti di ottone standard americane in Cina ...
  • onore
  • onore

Istruzioni & NOTIZIA