legines.com
Tubo in acciaio da 105 litri da dado a filo lungo

Tubo in acciaio da 105 litri da dado a filo lungo

Caratteristiche del prodotto:
■■ Tutta la costruzione in ottone
■■ UL elencato per liquido infiammabile e gas
■■ Soddisfa i requisiti funzionali di SAE J512
■■ Nuty Steel per economia

Mercati: applicazioni:
■■ Aria condizionata ■■ Linee refrigerante
■■ Marino ■■ Linee di freno
■■ Mobile ■■ Linee di carburante
■■ Motori

Tubo compatibile:
■■ Rame
■■ Ottone
■■ Alluminio
■■ Tubo idraulico in acciaio saldato

Parte di riferimento n.:

Contattaci

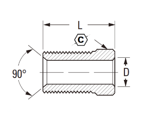
Specifiche

PARTE#

Tube O.D

C

D

L

105L-3

3/16 3/8 .196

.844

105L-4

1/4 7/16 .257 .812

Si tratta di una costruzione in ottone, un dado a filo lungo per un tubo fino a 1/4 "di materiale O.D.
Cerchi dadi di tubi in acciaio inossidabile? Questo elenco è per te! Il tubo lungo in acciaio inossidabile da 105L è un ottimo aggiornamento del sistema idraulico che è costruito con tutta la costruzione di ottoni e soddisfa i requisiti funzionali di SAE J512. È disponibile in molte dimensioni, quindi assicurati di verificarle.

Contatto con noi

Di Legines

Legines Industrial Machinery Inc.

Come produttori professionisti in ottone in ottone in cinese e fornitori di spinte per raccordi. Adotta la lavorazione completa del CNC e possiede l'area dell'officina di 3600 metri quadrati. 45 macchine utensili automatiche, 35 macchine utensili CNC semi-automatici, nonché distributori, che sono diventati importanti fornitori per la produzione di parti di ottone standard americane in Cina ...
  • onore
  • onore

Istruzioni & NOTIZIA