legines.com
702 raccordi per tee flare invertiti

702 raccordi per tee flare invertiti

Caratteristiche del prodotto:
■■ Tutta la costruzione in ottone
■■ UL elencato per liquido infiammabile e gas
■■ Soddisfa i requisiti funzionali di SAE J512
■■ Nuty Steel per economia

Mercati: applicazioni:
■■ Aria condizionata ■■ Linee refrigerante
■■ Marino ■■ Linee di freno
■■ Mobile ■■ Linee di carburante
■■ Motori

Tubo compatibile:
■■ Rame
■■ Ottone
■■ Alluminio
■■ Tubo idraulico in acciaio saldato

Parte di riferimento n.
244ifhd -702 -441

Contattaci

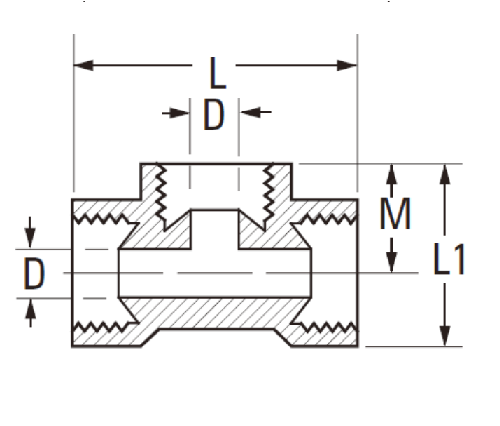
Specifiche

PARTE#

Tube O.D

D

M

L

702-2 1/8 .078 .330 .94
702-3 3/16 .125 .390 1.09
702-4 1/4 .188 .420 1.13
702-5 5/16 .219 .450 1.25
702-6 3/8 .281 .560 1.48
702-8 1/2 .406 .937 1.76

*Ref.sae n. 040401 ba

Il raccordo invertito di t -tee di Flare Union viene utilizzato per collegare due tubi. Questo raccordo consente il flusso da una connessione all'uscita dalla connessione opposta senza ridurre la pressione o il flusso. Ha una costruzione in ottone completamente intrecciata e presenta un design conforme a SAE J512, che gli consente di resistere alla corrosione. Il tee invertito Flare Union può essere utilizzato in applicazioni sia commerciali che industriali come aria condizionata, linee di refrigerante, motori marini, linee dei freni e linee di carburante mobili.
I nostri raccordi per tee a flare invertiti 702 sono fatti in ottone e soddisfano i requisiti di SAE J512. Ha un dado in acciaio per l'economia, può essere utilizzato nelle linee di antigelo, fluido del freno, acqua di raffreddamento del motore marino e goo.

Contatto con noi

Di Legines

Legines Industrial Machinery Inc.

Come produttori professionisti in ottone in ottone in cinese e fornitori di spinte per raccordi. Adotta la lavorazione completa del CNC e possiede l'area dell'officina di 3600 metri quadrati. 45 macchine utensili automatiche, 35 macchine utensili CNC semi-automatici, nonché distributori, che sono diventati importanti fornitori per la produzione di parti di ottone standard americane in Cina ...
  • onore
  • onore

Istruzioni & NOTIZIA