legines.com
3600# Raccordi in ottone ramificati per tubi in ottone

3600# Raccordi in ottone ramificati per tubi in ottone

Caratteristiche del prodotto: Mercati:
■■ Tutta la costruzione in ottone ■■ Industriale
■■ Soddisfa i requisiti funzionali di ■■ Costruzione
SAE J530 e SAE J531 ■■ Camion resistente
■■ Discussioni realizzate agli standard drysali ■■ Mobile
■■ Sia i forgiamenti che le estrusioni disponibili ■■ Automazione di fabbrica/processo

Applicazioni: tubo compatibile:
■■ Linee d'aria ■■ Rame
■■ Linea di galleggiamento ■■ Ottone
■■ Linee di raffreddamento ■■ Pipe di ferro

Specifiche:
Intervallo di pressione fino a 1000 psi
Intervallo di temperatura da -65 ° a 250 ° F

Applicazione tipica:
Grasso, carburanti, LP e gas naturale, refrigerazione. Strumentazione e sistemi idraulici

Conformance:
Soddisfa le specifiche e gli standard di ASA, ASME e SAE.

Parte di riferimento n.
2224p -3600 -T9 -X106 -226 -329 -128 -28281 ~ 28285

Contattaci

Specifiche

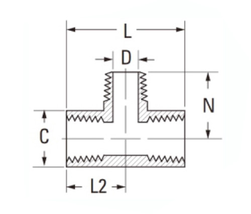
PARTE# Dimensione del filo C D L2 N
3600-A F1/8 × M1/8 9/16 .219 1.10 .66
3600-B F1/4 × M1/4 11/16 .315 1.56 .91
3600-C F3/8 × M3/8 13/16 .438 1.68 .97
3600-D F1/2 × M1/2 1 " .562 2.18 1.25
3600-e F3/4 × M3/4 1 "-1/4 .750 2.31 1.38

*Ref.sae n. 1330425

I raccordi per tee di ramo pesanti sono realizzati in ottone a scartamento pesante, fabbricati secondo gli standard SAE J530 e SAE J531. Sono disponibili sia in forgiamenti che in estrusioni, il che ci dà la versatilità di offrire un'ampia varietà di opzioni per i nostri clienti. Costruiti con i rating di pressione e temperatura, questi tea di ramo sono adatti per l'uso praticamente in qualsiasi processo industriale. Entrambe le marche di tubi possono essere utilizzate con successo con questo raccordo. La nostra linea di rami di rame e rami in ottone fornisce una qualità superiore e prestazioni affidabili nella più ampia gamma di applicazioni. I nostri ingegneri qualificati possono aiutarti a selezionare il miglior prodotto o progettare un sistema per soddisfare le tue esigenze specifiche.

Contatto con noi

Di Legines

Legines Industrial Machinery Inc.

Come produttori professionisti in ottone in ottone in cinese e fornitori di spinte per raccordi. Adotta la lavorazione completa del CNC e possiede l'area dell'officina di 3600 metri quadrati. 45 macchine utensili automatiche, 35 macchine utensili CNC semi-automatici, nonché distributori, che sono diventati importanti fornitori per la produzione di parti di ottone standard americane in Cina ...
  • onore
  • onore

Istruzioni & NOTIZIA